Ensemble d'accroche 1côté pour série 300 carré sur poutre IPN type HEB, CMU 150 kg
Ensemble d'accroche double pour série 300 carré sur poutre IPN type HEB180, CMU 300kg
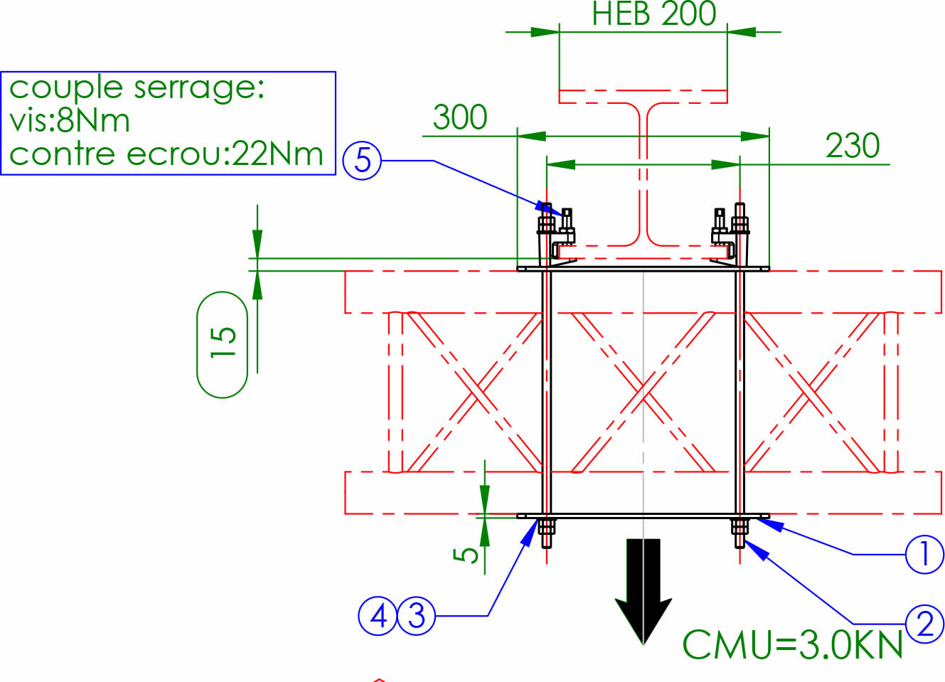
Ensemble d'accroche double pour série 300 carré sur poutre IPN type HEB160, CMU 300kg
Ensemble d'accroche double pour série 300 carré sur poutre IPN type HEB240, CMU 300kg
Fixation murale acier pour structure carré ou triangulaire série 300, charge 560kg, déport 0,40m
Semelle lourde centrée ou décentrée, 40x100 cm, noire
Pied chandelle 2 pieds pour jonction entre 2 praticables ASD, hauteur 1m
Tête d'accroche pour barre Ø50 en "H", entraxe en largueur 75cm, équipée de 2 collier, noire
Monotube 0,50m, Ø50mm, noir
Accroche de type "ceinture" métallique pour poteau Ø150-155mm, charge 150kg
Nos équipes sont prêtes à répondre à vos besoins et à concrétiser vos projets. Contactez votre agence locale ou laissez-nous un message, nous serons ravis de vous accompagner.